PD4-EB59CD-E-65-1 –  带集成控制器的 IP65 防护等级直流无刷电机 - NEMA 23

配置

技术数据

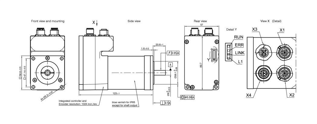
  • 尺寸
  • 现场总线 EtherCAT 
  • 工作电压 12 V直流 – 48 V直流
  • 额定转矩
  • 额定电流 (RMS) 6 A
  • 数字输入端数量
  • 模拟输入端数量
  • 数字输出
  • 带编码器  
  • 编码器分辨率 1024 CPR
  • 重量
  • NEMA 23 
  • 接口
  • 额定功率 220 W
  • 额定转速 3500 rpm
  • 峰值电流 (RMS) 18 A
  • 数字输入的类型 5/24 V 可切换 
  • 模拟输入的类型 0-20 mA/0-10 V 可切换 
  • 数字输出的类型 开漏(最大 24 V/100 mA) 
  • 编码器类型 单转绝对 
  • 机身长度

尺寸

PD4-EB59CD-E-65-1
Creation in progress ...

速度推力曲线

Recommended load limit:
Maximum short-term static load that may be reached when the service life is taken into account.
Recommended load limit
Continuous duty region
转矩 [Nm]/{{ curve.comparePoint | number : 2 }}rpm 转速 [rpm]/{{ curve.comparePoint | number : 2 }}Nm
力 [N]/{{ curve.comparePoint | number : 2 }}mm/s 速度 [mm/s]/{{ curve.comparePoint | number : 2 }}N
Torque [Nm] at {{ curve.comparePoint | number : 2 }} rpm Speed [rpm] at {{ curve.comparePoint | number : 2 }} Nm
 
 
 
{{ curve.calculateValueAtComparePoint(dataRow) }}
  • {{ attribute.label }}

配件

ZK-M12-5-2M-1-B-S 电源线 直线型,2 m
ZK-M12-12-2M-1-AFF IO 直线型,2 m
Z-K4700/50 电容器
ZK-M12-4-2M-1-D-RJ45 EtherCAT 输入/输出 直线型,2 m

知识库

该应用备注展示了如何通过 CANopen 在 Nanotec 驱动器之间建立通信。NanoJ 编程可帮助您实现简单的主/从功能,例如在没有 PLC 的情况下同步两个驱动器。
更多详情
示例和应用备注向您展示 NanoJ Library 如何简化了 CiA 402 电源状态机的使用。该 Library 的功能包含在单个头文件中,您可以轻松地将其添加到 Plug & Drive Studio 中的 NanoJ 项目中。
更多详情
这个交互式动画演示展示了步进电机的工作原理。它会在您向左或向右移动“连续”滑块时启动。您也可以通过单击箭头查看单个图像。
更多详情
本应用备注介绍如何使用 DCHP 工具将 Nanotec 控制器/驱动器与 Ethernet 连接。 
更多详情
EtherCAT 表示“用于控制自动化技术的 Ethernet”,是基于 Ethernet 的实时现场总线协议。EtherCAT 最初由 Beckhoff Automation 公司为自动化技术应用而开发。自 2003 年以来,EtherCAT 技术小组一直在设法促进该协议的推进,并使其在 2005 年也成为了正式的 IEC 标准。
更多详情