PD4-EB59CD-E-65-2 –  带集成控制器的 IP65 防护等级直流无刷电机 - NEMA 23

配置

技术数据

  • 尺寸
  • 现场总线 CANopen 
  • 工作电压 12 V直流 – 48 V直流
  • 额定转矩
  • 额定电流 (RMS) 6 A
  • 数字输入端数量
  • 模拟输入端数量
  • 数字输出
  • 带编码器  
  • 编码器分辨率 1024 CPR
  • 重量
  • NEMA 23 
  • 接口
  • 额定功率 220 W
  • 额定转速 3500 rpm
  • 峰值电流 (RMS) 18 A
  • 数字输入的类型 5/24 V 可切换 
  • 模拟输入的类型 0-20 mA/0-10 V 可切换 
  • 数字输出的类型 开漏(最大 24 V/100 mA) 
  • 编码器类型 单转绝对 
  • 机身长度

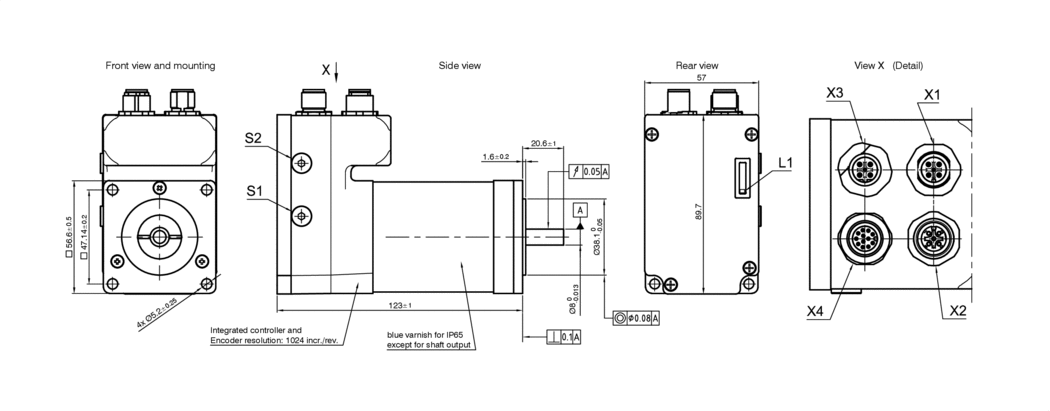
尺寸

PD4-EB59CD-E-65-2
Creation in progress ...

速度推力曲线

Recommended load limit:
Maximum short-term static load that may be reached when the service life is taken into account.
Recommended load limit
Continuous duty region
转矩 [Nm]/{{ curve.comparePoint | number : 2 }}rpm 转速 [rpm]/{{ curve.comparePoint | number : 2 }}Nm
力 [N]/{{ curve.comparePoint | number : 2 }}mm/s 速度 [mm/s]/{{ curve.comparePoint | number : 2 }}N
Torque [Nm] at {{ curve.comparePoint | number : 2 }} rpm Speed [rpm] at {{ curve.comparePoint | number : 2 }} Nm
 
 
 
{{ curve.calculateValueAtComparePoint(dataRow) }}
  • {{ attribute.label }}

配件

ZK-M12-5-2M-1-B-S 电源线 直线型,2 m
ZK-M12-12-2M-1-AFF IO 直线型,2 m
Z-K4700/50 电容器
ZK-M12-5-2M-1-A-S-M CAN 输出 直线型,2 m
ZK-M12F-M8M-5-200-S CAN 输入 直线型,0.2 m
ZK-M12M-M8F-5-200-S CAN 输出 直线型,0.2 m
ZK-M12M-M12F-5-500-S CAN 输入/输出 直线型,0.5 m
ZK-M12-5-2M-1-AFF CAN 直线型,2 m

知识库

该应用备注展示了如何通过 CANopen 在 Nanotec 驱动器之间建立通信。NanoJ 编程可帮助您实现简单的主/从功能,例如在没有 PLC 的情况下同步两个驱动器。
更多详情
示例和应用备注向您展示 NanoJ Library 如何简化了 CiA 402 电源状态机的使用。该 Library 的功能包含在单个头文件中,您可以轻松地将其添加到 Plug & Drive Studio 中的 NanoJ 项目中。
更多详情
这个交互式动画演示展示了步进电机的工作原理。它会在您向左或向右移动“连续”滑块时启动。您也可以通过单击箭头查看单个图像。
更多详情
为了减少车辆线束的长度和减轻重量,Bosch 公司于 1987 年开发了用于网络控制单元的所谓 CAN 总线。CAN 是“控制器局域网”的缩写,通常与“总线”(二进制单元系统)结合使用,以描述在共享传输路径上的不同设备之间传输数据的系统。
更多详情