PD1-C281L15-E-20-2 –  带集成控制器的步进电机 – NEMA 11

配置
您可以对此商品进行其他配置。请单击下面的配置按钮开始。

技术数据

  • IP 保护 (出轴端除外) IP20 
  • NEMA 11 
  • 接口
  • 工作电压 12 V直流 – 30 V直流
  • 额定电流 (RMS) 1.5 A
  • 数字输入端数量
  • 模拟输入端数量
  • 数字输出
  • 带编码器  
  • 编码器分辨率 4096 CPR
  • 尺寸
  • 现场总线 CANopen 
  • 保持转矩
  • 逻辑电压
  • 峰值电流 (RMS) 3 A
  • 数字输入的类型 5/24 V 可切换 
  • 模拟输入的类型 0 - 30 V 
  • 数字输出的类型 push-pull (5/24 V switchable, max. 50mA)  
  • 编码器类型 单转绝对 
  • 机身长度

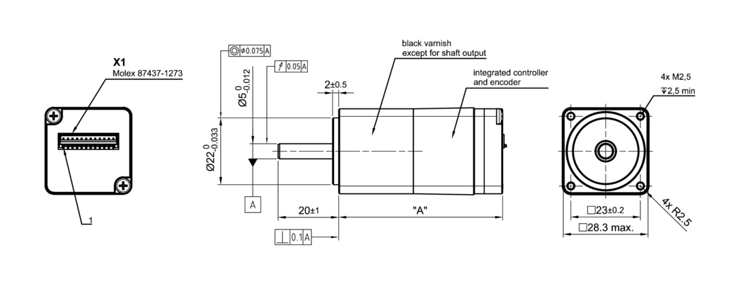
尺寸

PD1-C281x15-E20-x
Creation in progress ...

力矩曲线

Recommended load limit:
Maximum short-term static load that may be reached when the service life is taken into account.
Recommended load limit
Continuous duty region
转矩 [Nm]/{{ curve.comparePoint | number : 2 }}rpm 转速 [rpm]/{{ curve.comparePoint | number : 2 }}Nm
力 [N]/{{ curve.comparePoint | number : 2 }}mm/s 速度 [mm/s]/{{ curve.comparePoint | number : 2 }}N
Torque [Nm] at {{ curve.comparePoint | number : 2 }} rpm Speed [rpm] at {{ curve.comparePoint | number : 2 }} Nm
 
 
 
{{ curve.calculateValueAtComparePoint(dataRow) }}
  • {{ attribute.label }}

配件

ZK-MPS-12-0.5M-S IO/COM/PWR PD1-Cxx-20-x 0.5m

知识库

该应用备注展示了如何通过 CANopen 在 Nanotec 驱动器之间建立通信。NanoJ 编程可帮助您实现简单的主/从功能,例如在没有 PLC 的情况下同步两个驱动器。
更多详情
示例和应用备注向您展示 NanoJ Library 如何简化了 CiA 402 电源状态机的使用。该 Library 的功能包含在单个头文件中,您可以轻松地将其添加到 Plug & Drive Studio 中的 NanoJ 项目中。
更多详情
In many motion control applications, achieving sufficient boost torque is a key requirement. While BLDC motors are often the default choice, small stepper motors can be a viable – and sometimes more efficient – alternative under peak torque conditions.
更多详情