Pin assignment Overview Connection Function X1 Voltage supply X2 Motor connection X3 Micro USB X4 RS-232 connection X5 Digital/analog inputs and outputs X6 Encoder/Hall sensor X7 CANopen / RS-485 IN X8 CANopen / RS-485 OUT S1 Switch for 120 ohm termination resistor J1 Jumper: switches between CAN_L or RS-485- J2 Jumper: switches between CAN_H or RS-485+ L1 Status LED green L2 Status LED red Note: All pins with designation GND are internally connected. X1 – voltage supply Voltage source The operating or supply voltage supplies a battery, a transformer with rectification and filtering, or a switching power supply. Note: EMC: For a DC power supply line longer than 30 m or when using the motor on a DC bus, additional interference-suppression and protection measures are necessary. ► An EMI filter is to be inserted in the DC supply line as close as possible to the controller/motor. ► Long data or supply lines are to be routed through ferrites. Connections Connector type: JST XH Suitable Nanotec cable: ZK-XHP2-500-S (not included in the scope of delivery) In the following figure, pin 1 is marked with a "1". Pin Function Note 1 +UB 12 V - 24 V ±5% 2 GND Permissible operating voltage The maximum operating voltage is 25.2 V DC. If the input voltage of the controller exceeds the threshold value set in 2034h, the motor is switched off and an error triggered. Above the response threshold set in 4021h:02h, the integrated ballast circuit is activated (wirewound resistor Z32041412209K6C000 from Vishay with 3 W continuous output). The minimum operating voltage is 11.4 V DC. If the input voltage of the controller falls below 10 V, the motor is switched off and an error triggered. A charging capacitor of at least 4700 µF / 50 V (approx. 1000 µF per ampere rated current) must be connected to the supply voltage to avoid exceeding the permissible operating voltage (e.g., during braking). X2 – motor connection Connector type: JST XH Suitable Nanotec cable: ZK-XHP4-300 (not included in the scope of delivery) In the following figure, pin 1 is marked with a "1". Pin Function (stepper motor) Function (BLDC) 1 A U 2 A\ V 3 B W 4 B\ Not used X3 − Micro USB X4 − RS-232 connection Connector type: JST GH Suitable Nanotec cable: ZK-GHR3-500-S (not included in the scope of delivery) In the following figure, pin 1 is marked with a "1". Pin Function Note 1 RS-232-RX 2 RS-232-TX 3 GND X5 – digital/analog inputs and outputs Connector type: JST GH Suitable Nanotec cable: ZK-GHR12-500-S (not included in scope of delivery) In the following figure, pin 1 is marked with a "1". Tip: You can find further information regarding the setting and connection of the inputs/outputs in chapter Digital inputs and outputs. Pin Function Note 1 +10 V DC Output voltage, max. 200 mA 2 Digital input 1 5 V signal, max. 1 MHz 3 Digital input 2 5 V signal, max. 1 MHz 4 Digital input 3 5 V signal, max. 1 MHz ("direction" in clock-direction mode) 5 Digital input 4 5 V signal, max. 1 MHz ("clock" in clock-direction mode) 6 Digital input 5 5 V signal, max. 1 MHz 7 Analog input 1 10 bit, 0-10 V or 0-20 mA, switchable by means of software with object 3221h, default setting: 0-10 V 8 Analog input 2 10 bit, 0-10 V, not switchable by means of software 9 Digital output 1 Open drain, max. 24 V/100 mA 10 Digital output 2 Open drain, max. 24 V/100 mA 11 Digital output 3 Open drain, max. 24 V/100 mA 12 GND Note: Damage to the controller! The electronics can be damaged if a voltage is present at the output that is higher than the supply voltage (+UB) at X1. ► Apply a voltage to the outputs that is less than or equal to +UB. ► Do not connect a voltage to the outputs if the supply voltage of the controller is not yet present. The following switching thresholds apply for inputs 1 to 5: Switching thresholds (worst-case calculations) On Off > 4.25 V < 0.75 V The current consumption is approximately 0.4 mA. The following internal circuit diagram applies for the digital inputs: X6 – encoder/Hall sensor Note: The controller with hardware version W004b does not function with the following encoders without additional wiring (see below): WEDS5541 WEDS5546 HEDS5540 With these encoders, a PULL-UP resistor must be connected to 5 V on cables A, B and INDEX. Connector type: JST GH Suitable Nanotec cables (not included in the scope of delivery): ZK-GHR13-500-S-GHR (for Nanotec encoder NME) ZK-MCM-12-500-S-JXH (for Nanotec encoder NME) ZK-GHR10-500-S-GHR (for Nanotec encoder NOE) ZK-TM4-10-500-S-JXH (for Nanotec encoder NTO3) ZK-JZH-8-500-S-JXH (for Nanotec encoder WEDL) In the following figure, pin 1 is marked with a "1". Pin Function Note 1 +5 V DC Supply voltage for encoder/Hall sensor, max. 200 mA 2 A 5 V signal, max. 1 MHz 3 B 5 V signal, max. 1 MHz 4 Index 5 V signal 5 H1 5 V signal, max. 1 MHz 6 H2 5 V signal, max. 1 MHz 7 H3 5 V signal, max. 1 MHz 8 GND The following switching thresholds apply for the encoder inputs: Switching thresholds Switching on Switching off > approx. 2.8 V < approx. 1.1 V The internal wiring of the encoder inputs is shown in the following. X7 − CANopen/RS-485 IN Connector type: JST GHR Suitable Nanotec cable: ZK-PD4-C-CAN-4-500-S (not included in the scope of delivery) In the following figure, pin 1 is marked with a "1". Pin CANopen function RS-485 function Note 1 +UB Logic +UB Logic 24 V DC input, external logic supply for communication, input voltage, current consumption approx. 36 mA 2 CAN+ RS-485+ The changeover is performed via jumper J2. 3 CAN- RS-485- The changeover is performed via jumper J1. 4 GND GND Note: Should the main supply fail, the logic supply keeps the electronics, the encoder and the communication interface in operation. The windings of the motor are not supplied by the logic supply. RS-485 line polarization Note: The controller is not equipped with line polarization and expects the master device to have one. If the master device on the bus does not have line polarization of its own, a pair of resistors must be attached to the RS-485 balanced cables: A pull-up resistor to a 5V voltage on the RS-485+ (D1) cable A pull-down resistor to earth (GND) on the RS-485- (D0) cable The value of these resistors must be between 450 ohm and 650 ohm. A 650 ohm resistor permits a higher number of devices on the bus. In this case, a line polarization must be attached at a location for the entire serial bus. In general, this location should be on the master device or its connection. All other devices then no longer need to implement line polarization. X8 − CANopen/RS-485 OUT Connector type: JST GHR Suitable Nanotec cable: ZK-PD4-C-CAN-4-500-S (not included in the scope of delivery) In the following figure, pin 1 is marked with a "1". Pin CANopen function RS-485 function Note 1 +UB Logic +UB Logic 24 V DC input, external logic supply for communication, input voltage, current consumption approx. 36 mA 2 CAN+ RS-485+ The changeover is performed via jumper J2. 3 CAN- RS-485- The changeover is performed via jumper J1. 4 GND GND Note: Should the main supply fail, the logic supply keeps the electronics, the encoder and the communication interface in operation. The windings of the motor are not supplied by the logic supply. RS-485 line polarization Note: The controller is not equipped with line polarization and expects the master device to have one. If the master device on the bus does not have line polarization of its own, a pair of resistors must be attached to the RS-485 balanced cables: A pull-up resistor to a 5V voltage on the RS-485+ (D1) cable A pull-down resistor to earth (GND) on the RS-485- (D0) cable The value of these resistors must be between 450 ohm and 650 ohm. A 650 ohm resistor permits a higher number of devices on the bus. In this case, a line polarization must be attached at a location for the entire serial bus. In general, this location should be on the master device or its connection. All other devices then no longer need to implement line polarization. S1 – termination resistor A termination with 120 ohm between CAN+ and CAN- or RS-485- and RS-485+ can thereby be switched on or off. Jumper J1/J2 With these jumpers, it is possible to change between CANopen or RS-485. RS-485 setting To use the RS-485 bus, jumpers J1 and J2 must be plugged in facing the middle of the board (see following figure). CANopen setting To use the CANopen bus, jumpers J1 and J2 must be plugged in facing the edge of the board (see following figure).
Pin assignment Overview Connection Function X1 Voltage supply X2 Motor connection X3 Micro USB X4 RS-232 connection X5 Digital/analog inputs and outputs X6 Encoder/Hall sensor X7 CANopen / RS-485 IN X8 CANopen / RS-485 OUT S1 Switch for 120 ohm termination resistor J1 Jumper: switches between CAN_L or RS-485- J2 Jumper: switches between CAN_H or RS-485+ L1 Status LED green L2 Status LED red Note: All pins with designation GND are internally connected. X1 – voltage supply Voltage source The operating or supply voltage supplies a battery, a transformer with rectification and filtering, or a switching power supply. Note: EMC: For a DC power supply line longer than 30 m or when using the motor on a DC bus, additional interference-suppression and protection measures are necessary. ► An EMI filter is to be inserted in the DC supply line as close as possible to the controller/motor. ► Long data or supply lines are to be routed through ferrites. Connections Connector type: JST XH Suitable Nanotec cable: ZK-XHP2-500-S (not included in the scope of delivery) In the following figure, pin 1 is marked with a "1". Pin Function Note 1 +UB 12 V - 24 V ±5% 2 GND Permissible operating voltage The maximum operating voltage is 25.2 V DC. If the input voltage of the controller exceeds the threshold value set in 2034h, the motor is switched off and an error triggered. Above the response threshold set in 4021h:02h, the integrated ballast circuit is activated (wirewound resistor Z32041412209K6C000 from Vishay with 3 W continuous output). The minimum operating voltage is 11.4 V DC. If the input voltage of the controller falls below 10 V, the motor is switched off and an error triggered. A charging capacitor of at least 4700 µF / 50 V (approx. 1000 µF per ampere rated current) must be connected to the supply voltage to avoid exceeding the permissible operating voltage (e.g., during braking). X2 – motor connection Connector type: JST XH Suitable Nanotec cable: ZK-XHP4-300 (not included in the scope of delivery) In the following figure, pin 1 is marked with a "1". Pin Function (stepper motor) Function (BLDC) 1 A U 2 A\ V 3 B W 4 B\ Not used X3 − Micro USB X4 − RS-232 connection Connector type: JST GH Suitable Nanotec cable: ZK-GHR3-500-S (not included in the scope of delivery) In the following figure, pin 1 is marked with a "1". Pin Function Note 1 RS-232-RX 2 RS-232-TX 3 GND X5 – digital/analog inputs and outputs Connector type: JST GH Suitable Nanotec cable: ZK-GHR12-500-S (not included in scope of delivery) In the following figure, pin 1 is marked with a "1". Tip: You can find further information regarding the setting and connection of the inputs/outputs in chapter Digital inputs and outputs. Pin Function Note 1 +10 V DC Output voltage, max. 200 mA 2 Digital input 1 5 V signal, max. 1 MHz 3 Digital input 2 5 V signal, max. 1 MHz 4 Digital input 3 5 V signal, max. 1 MHz ("direction" in clock-direction mode) 5 Digital input 4 5 V signal, max. 1 MHz ("clock" in clock-direction mode) 6 Digital input 5 5 V signal, max. 1 MHz 7 Analog input 1 10 bit, 0-10 V or 0-20 mA, switchable by means of software with object 3221h, default setting: 0-10 V 8 Analog input 2 10 bit, 0-10 V, not switchable by means of software 9 Digital output 1 Open drain, max. 24 V/100 mA 10 Digital output 2 Open drain, max. 24 V/100 mA 11 Digital output 3 Open drain, max. 24 V/100 mA 12 GND Note: Damage to the controller! The electronics can be damaged if a voltage is present at the output that is higher than the supply voltage (+UB) at X1. ► Apply a voltage to the outputs that is less than or equal to +UB. ► Do not connect a voltage to the outputs if the supply voltage of the controller is not yet present. The following switching thresholds apply for inputs 1 to 5: Switching thresholds (worst-case calculations) On Off > 4.25 V < 0.75 V The current consumption is approximately 0.4 mA. The following internal circuit diagram applies for the digital inputs: X6 – encoder/Hall sensor Note: The controller with hardware version W004b does not function with the following encoders without additional wiring (see below): WEDS5541 WEDS5546 HEDS5540 With these encoders, a PULL-UP resistor must be connected to 5 V on cables A, B and INDEX. Connector type: JST GH Suitable Nanotec cables (not included in the scope of delivery): ZK-GHR13-500-S-GHR (for Nanotec encoder NME) ZK-MCM-12-500-S-JXH (for Nanotec encoder NME) ZK-GHR10-500-S-GHR (for Nanotec encoder NOE) ZK-TM4-10-500-S-JXH (for Nanotec encoder NTO3) ZK-JZH-8-500-S-JXH (for Nanotec encoder WEDL) In the following figure, pin 1 is marked with a "1". Pin Function Note 1 +5 V DC Supply voltage for encoder/Hall sensor, max. 200 mA 2 A 5 V signal, max. 1 MHz 3 B 5 V signal, max. 1 MHz 4 Index 5 V signal 5 H1 5 V signal, max. 1 MHz 6 H2 5 V signal, max. 1 MHz 7 H3 5 V signal, max. 1 MHz 8 GND The following switching thresholds apply for the encoder inputs: Switching thresholds Switching on Switching off > approx. 2.8 V < approx. 1.1 V The internal wiring of the encoder inputs is shown in the following. X7 − CANopen/RS-485 IN Connector type: JST GHR Suitable Nanotec cable: ZK-PD4-C-CAN-4-500-S (not included in the scope of delivery) In the following figure, pin 1 is marked with a "1". Pin CANopen function RS-485 function Note 1 +UB Logic +UB Logic 24 V DC input, external logic supply for communication, input voltage, current consumption approx. 36 mA 2 CAN+ RS-485+ The changeover is performed via jumper J2. 3 CAN- RS-485- The changeover is performed via jumper J1. 4 GND GND Note: Should the main supply fail, the logic supply keeps the electronics, the encoder and the communication interface in operation. The windings of the motor are not supplied by the logic supply. RS-485 line polarization Note: The controller is not equipped with line polarization and expects the master device to have one. If the master device on the bus does not have line polarization of its own, a pair of resistors must be attached to the RS-485 balanced cables: A pull-up resistor to a 5V voltage on the RS-485+ (D1) cable A pull-down resistor to earth (GND) on the RS-485- (D0) cable The value of these resistors must be between 450 ohm and 650 ohm. A 650 ohm resistor permits a higher number of devices on the bus. In this case, a line polarization must be attached at a location for the entire serial bus. In general, this location should be on the master device or its connection. All other devices then no longer need to implement line polarization. X8 − CANopen/RS-485 OUT Connector type: JST GHR Suitable Nanotec cable: ZK-PD4-C-CAN-4-500-S (not included in the scope of delivery) In the following figure, pin 1 is marked with a "1". Pin CANopen function RS-485 function Note 1 +UB Logic +UB Logic 24 V DC input, external logic supply for communication, input voltage, current consumption approx. 36 mA 2 CAN+ RS-485+ The changeover is performed via jumper J2. 3 CAN- RS-485- The changeover is performed via jumper J1. 4 GND GND Note: Should the main supply fail, the logic supply keeps the electronics, the encoder and the communication interface in operation. The windings of the motor are not supplied by the logic supply. RS-485 line polarization Note: The controller is not equipped with line polarization and expects the master device to have one. If the master device on the bus does not have line polarization of its own, a pair of resistors must be attached to the RS-485 balanced cables: A pull-up resistor to a 5V voltage on the RS-485+ (D1) cable A pull-down resistor to earth (GND) on the RS-485- (D0) cable The value of these resistors must be between 450 ohm and 650 ohm. A 650 ohm resistor permits a higher number of devices on the bus. In this case, a line polarization must be attached at a location for the entire serial bus. In general, this location should be on the master device or its connection. All other devices then no longer need to implement line polarization. S1 – termination resistor A termination with 120 ohm between CAN+ and CAN- or RS-485- and RS-485+ can thereby be switched on or off. Jumper J1/J2 With these jumpers, it is possible to change between CANopen or RS-485. RS-485 setting To use the RS-485 bus, jumpers J1 and J2 must be plugged in facing the middle of the board (see following figure). CANopen setting To use the CANopen bus, jumpers J1 and J2 must be plugged in facing the edge of the board (see following figure).
Overview Connection Function X1 Voltage supply X2 Motor connection X3 Micro USB X4 RS-232 connection X5 Digital/analog inputs and outputs X6 Encoder/Hall sensor X7 CANopen / RS-485 IN X8 CANopen / RS-485 OUT S1 Switch for 120 ohm termination resistor J1 Jumper: switches between CAN_L or RS-485- J2 Jumper: switches between CAN_H or RS-485+ L1 Status LED green L2 Status LED red Note: All pins with designation GND are internally connected.
X1 – voltage supply Voltage source The operating or supply voltage supplies a battery, a transformer with rectification and filtering, or a switching power supply. Note: EMC: For a DC power supply line longer than 30 m or when using the motor on a DC bus, additional interference-suppression and protection measures are necessary. ► An EMI filter is to be inserted in the DC supply line as close as possible to the controller/motor. ► Long data or supply lines are to be routed through ferrites. Connections Connector type: JST XH Suitable Nanotec cable: ZK-XHP2-500-S (not included in the scope of delivery) In the following figure, pin 1 is marked with a "1". Pin Function Note 1 +UB 12 V - 24 V ±5% 2 GND Permissible operating voltage The maximum operating voltage is 25.2 V DC. If the input voltage of the controller exceeds the threshold value set in 2034h, the motor is switched off and an error triggered. Above the response threshold set in 4021h:02h, the integrated ballast circuit is activated (wirewound resistor Z32041412209K6C000 from Vishay with 3 W continuous output). The minimum operating voltage is 11.4 V DC. If the input voltage of the controller falls below 10 V, the motor is switched off and an error triggered. A charging capacitor of at least 4700 µF / 50 V (approx. 1000 µF per ampere rated current) must be connected to the supply voltage to avoid exceeding the permissible operating voltage (e.g., during braking).
Voltage source The operating or supply voltage supplies a battery, a transformer with rectification and filtering, or a switching power supply. Note: EMC: For a DC power supply line longer than 30 m or when using the motor on a DC bus, additional interference-suppression and protection measures are necessary. ► An EMI filter is to be inserted in the DC supply line as close as possible to the controller/motor. ► Long data or supply lines are to be routed through ferrites.
Connections Connector type: JST XH Suitable Nanotec cable: ZK-XHP2-500-S (not included in the scope of delivery) In the following figure, pin 1 is marked with a "1". Pin Function Note 1 +UB 12 V - 24 V ±5% 2 GND
Permissible operating voltage The maximum operating voltage is 25.2 V DC. If the input voltage of the controller exceeds the threshold value set in 2034h, the motor is switched off and an error triggered. Above the response threshold set in 4021h:02h, the integrated ballast circuit is activated (wirewound resistor Z32041412209K6C000 from Vishay with 3 W continuous output). The minimum operating voltage is 11.4 V DC. If the input voltage of the controller falls below 10 V, the motor is switched off and an error triggered. A charging capacitor of at least 4700 µF / 50 V (approx. 1000 µF per ampere rated current) must be connected to the supply voltage to avoid exceeding the permissible operating voltage (e.g., during braking).
X2 – motor connection Connector type: JST XH Suitable Nanotec cable: ZK-XHP4-300 (not included in the scope of delivery) In the following figure, pin 1 is marked with a "1". Pin Function (stepper motor) Function (BLDC) 1 A U 2 A\ V 3 B W 4 B\ Not used
X4 − RS-232 connection Connector type: JST GH Suitable Nanotec cable: ZK-GHR3-500-S (not included in the scope of delivery) In the following figure, pin 1 is marked with a "1". Pin Function Note 1 RS-232-RX 2 RS-232-TX 3 GND
X5 – digital/analog inputs and outputs Connector type: JST GH Suitable Nanotec cable: ZK-GHR12-500-S (not included in scope of delivery) In the following figure, pin 1 is marked with a "1". Tip: You can find further information regarding the setting and connection of the inputs/outputs in chapter Digital inputs and outputs. Pin Function Note 1 +10 V DC Output voltage, max. 200 mA 2 Digital input 1 5 V signal, max. 1 MHz 3 Digital input 2 5 V signal, max. 1 MHz 4 Digital input 3 5 V signal, max. 1 MHz ("direction" in clock-direction mode) 5 Digital input 4 5 V signal, max. 1 MHz ("clock" in clock-direction mode) 6 Digital input 5 5 V signal, max. 1 MHz 7 Analog input 1 10 bit, 0-10 V or 0-20 mA, switchable by means of software with object 3221h, default setting: 0-10 V 8 Analog input 2 10 bit, 0-10 V, not switchable by means of software 9 Digital output 1 Open drain, max. 24 V/100 mA 10 Digital output 2 Open drain, max. 24 V/100 mA 11 Digital output 3 Open drain, max. 24 V/100 mA 12 GND Note: Damage to the controller! The electronics can be damaged if a voltage is present at the output that is higher than the supply voltage (+UB) at X1. ► Apply a voltage to the outputs that is less than or equal to +UB. ► Do not connect a voltage to the outputs if the supply voltage of the controller is not yet present. The following switching thresholds apply for inputs 1 to 5: Switching thresholds (worst-case calculations) On Off > 4.25 V < 0.75 V The current consumption is approximately 0.4 mA. The following internal circuit diagram applies for the digital inputs:
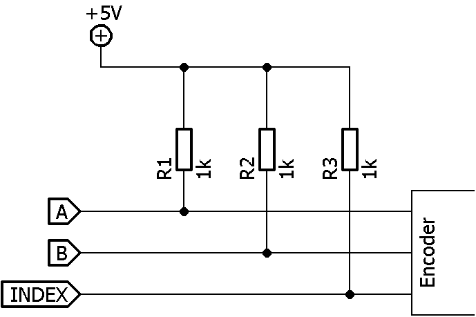
X6 – encoder/Hall sensor Note: The controller with hardware version W004b does not function with the following encoders without additional wiring (see below): WEDS5541 WEDS5546 HEDS5540 With these encoders, a PULL-UP resistor must be connected to 5 V on cables A, B and INDEX. Connector type: JST GH Suitable Nanotec cables (not included in the scope of delivery): ZK-GHR13-500-S-GHR (for Nanotec encoder NME) ZK-MCM-12-500-S-JXH (for Nanotec encoder NME) ZK-GHR10-500-S-GHR (for Nanotec encoder NOE) ZK-TM4-10-500-S-JXH (for Nanotec encoder NTO3) ZK-JZH-8-500-S-JXH (for Nanotec encoder WEDL) In the following figure, pin 1 is marked with a "1". Pin Function Note 1 +5 V DC Supply voltage for encoder/Hall sensor, max. 200 mA 2 A 5 V signal, max. 1 MHz 3 B 5 V signal, max. 1 MHz 4 Index 5 V signal 5 H1 5 V signal, max. 1 MHz 6 H2 5 V signal, max. 1 MHz 7 H3 5 V signal, max. 1 MHz 8 GND The following switching thresholds apply for the encoder inputs: Switching thresholds Switching on Switching off > approx. 2.8 V < approx. 1.1 V The internal wiring of the encoder inputs is shown in the following.
X7 − CANopen/RS-485 IN Connector type: JST GHR Suitable Nanotec cable: ZK-PD4-C-CAN-4-500-S (not included in the scope of delivery) In the following figure, pin 1 is marked with a "1". Pin CANopen function RS-485 function Note 1 +UB Logic +UB Logic 24 V DC input, external logic supply for communication, input voltage, current consumption approx. 36 mA 2 CAN+ RS-485+ The changeover is performed via jumper J2. 3 CAN- RS-485- The changeover is performed via jumper J1. 4 GND GND Note: Should the main supply fail, the logic supply keeps the electronics, the encoder and the communication interface in operation. The windings of the motor are not supplied by the logic supply. RS-485 line polarization Note: The controller is not equipped with line polarization and expects the master device to have one. If the master device on the bus does not have line polarization of its own, a pair of resistors must be attached to the RS-485 balanced cables: A pull-up resistor to a 5V voltage on the RS-485+ (D1) cable A pull-down resistor to earth (GND) on the RS-485- (D0) cable The value of these resistors must be between 450 ohm and 650 ohm. A 650 ohm resistor permits a higher number of devices on the bus. In this case, a line polarization must be attached at a location for the entire serial bus. In general, this location should be on the master device or its connection. All other devices then no longer need to implement line polarization.
RS-485 line polarization Note: The controller is not equipped with line polarization and expects the master device to have one. If the master device on the bus does not have line polarization of its own, a pair of resistors must be attached to the RS-485 balanced cables: A pull-up resistor to a 5V voltage on the RS-485+ (D1) cable A pull-down resistor to earth (GND) on the RS-485- (D0) cable The value of these resistors must be between 450 ohm and 650 ohm. A 650 ohm resistor permits a higher number of devices on the bus. In this case, a line polarization must be attached at a location for the entire serial bus. In general, this location should be on the master device or its connection. All other devices then no longer need to implement line polarization.
X8 − CANopen/RS-485 OUT Connector type: JST GHR Suitable Nanotec cable: ZK-PD4-C-CAN-4-500-S (not included in the scope of delivery) In the following figure, pin 1 is marked with a "1". Pin CANopen function RS-485 function Note 1 +UB Logic +UB Logic 24 V DC input, external logic supply for communication, input voltage, current consumption approx. 36 mA 2 CAN+ RS-485+ The changeover is performed via jumper J2. 3 CAN- RS-485- The changeover is performed via jumper J1. 4 GND GND Note: Should the main supply fail, the logic supply keeps the electronics, the encoder and the communication interface in operation. The windings of the motor are not supplied by the logic supply. RS-485 line polarization Note: The controller is not equipped with line polarization and expects the master device to have one. If the master device on the bus does not have line polarization of its own, a pair of resistors must be attached to the RS-485 balanced cables: A pull-up resistor to a 5V voltage on the RS-485+ (D1) cable A pull-down resistor to earth (GND) on the RS-485- (D0) cable The value of these resistors must be between 450 ohm and 650 ohm. A 650 ohm resistor permits a higher number of devices on the bus. In this case, a line polarization must be attached at a location for the entire serial bus. In general, this location should be on the master device or its connection. All other devices then no longer need to implement line polarization.
RS-485 line polarization Note: The controller is not equipped with line polarization and expects the master device to have one. If the master device on the bus does not have line polarization of its own, a pair of resistors must be attached to the RS-485 balanced cables: A pull-up resistor to a 5V voltage on the RS-485+ (D1) cable A pull-down resistor to earth (GND) on the RS-485- (D0) cable The value of these resistors must be between 450 ohm and 650 ohm. A 650 ohm resistor permits a higher number of devices on the bus. In this case, a line polarization must be attached at a location for the entire serial bus. In general, this location should be on the master device or its connection. All other devices then no longer need to implement line polarization.
S1 – termination resistor A termination with 120 ohm between CAN+ and CAN- or RS-485- and RS-485+ can thereby be switched on or off.
Jumper J1/J2 With these jumpers, it is possible to change between CANopen or RS-485. RS-485 setting To use the RS-485 bus, jumpers J1 and J2 must be plugged in facing the middle of the board (see following figure). CANopen setting To use the CANopen bus, jumpers J1 and J2 must be plugged in facing the edge of the board (see following figure).
RS-485 setting To use the RS-485 bus, jumpers J1 and J2 must be plugged in facing the middle of the board (see following figure).
CANopen setting To use the CANopen bus, jumpers J1 and J2 must be plugged in facing the edge of the board (see following figure).