Pin assignment Overview Connection Function X1 EtherNet/IP™ X2 Encoder and Hall sensor connection X3 Digital/analog inputs and outputs X4 Brake connection X5 Motor connection X6 Voltage supply X7 Micro USB connection L1 Power LED Note: All pins with designation GND are internally connected. X1 – EtherNet/IP Type: RJ45 socket Pin 1 is marked with an asterisk "*". Note: The second Ethernet port is not connected and is provided for reasons of hardware compatibility only. Note: The most frequently used network topology is the star topology. All nodes are connected to a central node (e.g. via an Ethernet switch) by means of a point‑to‑point connection. Pin Function Note 1 Tx+ 2 Tx- 3 Rx+ 4 n.c. 5 n.c. 6 Rx- 7 n.c. 8 n.c. X2 – encoder/Hall sensor Type: JST S12B-PADSS-1 Mating connector (not included in scope of delivery): Housing: JST PADP-12V-1-S (or equivalent) Contacts: JST SPH-001T-P0.5L (or equivalent) Suitable Nanotec cables (not included in the scope of delivery): ZK-PADP-12-500-S ZK-M12-8-2M-2-PADP ZK-M12-12-2M-2-PADP ZK-NTO3-10-500-PADP / ZK-NTO3-10-1000-PADP ZK-NOE-10-500-S-PADP ZK-WEDL-500-S-PADP Pin 1 and pin 2 are marked in the figure. Pin Function Note 1 GND 2 Vcc 5 V DC, output and supply voltage for encoder / Hall sensor; max. 200 mA 3 A 5 V signal, max. 1 MHz 4 B 5 V signal, max. 1 MHz 5 A\ 5 V signal, max. 1 MHz 6 B\ 5 V signal, max. 1 MHz 7 I 5 V signal, max. 1 MHz 8 I\ 5 V signal, max. 1 MHz 9 Hall 1 5 V signal 10 Hall 2 5 V signal 11 Hall 3 5 V signal 12 Shielding Shielding Note: If a single-ended encoder is used, channels A/, B/ and I/ are not evaluated! To ensure that a single-ended encoder is correctly detected: ► Set the object 2059h to the value "2". ► Do not connect anything to pins A\, B\, I\, and do not connect these pins to ground (GND). The following switching thresholds apply for the encoder inputs: Type Switching thresholds On Off Single > 3.8 V < 0.26 V Difference > 3.8 V < 0.26 V The internal wiring of the encoder inputs is shown in the following. X3 – inputs and outputs Type: Phoenix Contact MC 0.5/12-G-2.5 Mating connector (included in scope of delivery): Phoenix Contact FK-MCP 0.5/12-ST-2.5 (or equivalent) Nanotec article number: ZCPHOFK-MC0,5-12 Pin 1 is marked with an asterisk "*". Pin Function Note 1 +10 V DC Output voltage, max. 200 mA 2 Digital input 1 5 V / 24 V signal, switchable by means of software with object 3240h, max. 1 MHz; clock input in clock-direction mode 3 Digital input 2 5 V / 24 V signal, switchable by means of software with object 3240h, max. 1 MHz; direction input in clock-direction mode 4 Digital input 3 5 V / 24 V signal, switchable by means of software with object 3240h 5 Digital input 4 5 V / 24 V signal, switchable by means of software with object 3240h 6 Digital input 5 5 V / 24 V signal, switchable by means of software with object 3240h 7 Analog input 1 10 bit, 0-10 V or 0-20 mA, switchable by means of software with object 3221h 8 Analog input 2 10 bit, 0-10 V, not switchable by means of software 9 Digital output 1 Open drain, maximum 24 V / 100 mA 10 Digital output 2 Open drain, maximum 24 V / 100 mA 11 Digital output 3 Open drain, maximum 24 V / 100 mA 12 GND The following switching thresholds apply for inputs 1 to 5: Max. Voltage Switching thresholds On Off 5 V > 3.8 V < 0.26 V 24 V > 14.42 V < 4.16 V The following applies for the analog inputs: Configuration of analog input Input resistance (maximum value) Voltage input approx. 147 kOhm Current input (analog input 1 only) at 1 mA: approx. 350 ohm Current input (analog input 1 only) at 20 mA: approx. 283 ohm Connection data min max Conductor cross section, rigid, min. 0.14 mm2 0.5 mm2 Conductor cross section, flexible, min. 0.14 mm2 0.5 mm2 Conductor cross section, flexible, min. Wire-end sleeve without plastic sleeve, min. 0.25 mm2 0.5 mm2 Conductor cross section, min. AWG 26 20 Min. AWG acc. to UL/CUL 28 20 X4 – brake connection Type: Phoenix Contact MC 0.5/2-G-2.5 Mating connector (included in scope of delivery): Phoenix Contact FK-MCP 0.5/2-ST-2.5 (or equivalent) Nanotec article number: ZCPHOFK-MC0,5-2 Pin 1 is marked with an asterisk "*". Pin Function Note 1 Brake + Internally connected to +UB 2 Brake - PWM-controlled open-drain output, max. 1.5 A Connection data min max Conductor cross section, rigid, min. 0.14 mm2 0.5 mm2 Conductor cross section, flexible, min. 0.14 mm2 0.5 mm2 Conductor cross section, flexible, min. Wire-end sleeve without plastic sleeve, min. 0.25 mm2 0.5 mm2 Conductor cross section, min. AWG 26 20 Min. AWG acc. to UL/CUL 28 20 X5 – motor connection Type: Würth Elektronik 691313510004 Mating connector (included in scope of delivery): Würth Elektronik 691353500004 (or equivalent) Nanotec article number: ZCPHOFKC-2,5HC-4 Pin 1 is marked with an asterisk "*". Pin Function (Stepper) Function (BLDC) 1 A U 2 A\ V 3 B W 4 B\ Not used Connection data min max Conductor cross section, rigid, min. 0.2 mm2 1.5 mm2 Conductor cross section, flexible, min. 0.2 mm2 1.5 mm2 Conductor cross section, flexible, min. Wire-end sleeve without plastic sleeve, min. 0.25 mm2 1.5 mm2 Conductor cross section, flexible, min. Wire-end sleeve min. Plastic sleeve min. 0.25 mm2 0.75 mm2 Conductor cross section, min. AWG 24 16 Min. AWG acc. to UL/CUL 24 16 X6 – voltage supply Type: Würth Elektronik 691313510002 Mating connector (included in scope of delivery): Würth Elektronik 691353500002 (or equivalent) Nanotec article number: ZCPHOFKC-2,5HC-2 Voltage source The operating or supply voltage supplies a battery, a transformer with rectification and filtering, or a switching power supply. Note: EMC: For a DC power supply line longer than 30 m or when using the motor on a DC bus, additional interference-suppression and protection measures are necessary. ► An EMI filter is to be inserted in the DC supply line as close as possible to the controller/motor. ► Long data or supply lines are to be routed through ferrites. Connections Pin 1 is marked with an asterisk "*". Pin Function Note 1 +UB 12 V - 48 V DC, ±5% 2 GND Connection data min max Conductor cross section, rigid, min. 0.2 mm2 1.5 mm2 Conductor cross section, flexible, min. 0.2 mm2 1.5 mm2 Conductor cross section, flexible, min. Wire-end sleeve without plastic sleeve, min. 0.25 mm2 1.5 mm2 Conductor cross section, flexible, min. Wire-end sleeve min. Plastic sleeve min. 0.25 mm2 0.75 mm2 Conductor cross section, min. AWG 24 16 Min. AWG acc. to UL/CUL 24 16 Permissible operating voltage The maximum operating voltage is 50.4 V DC. If the input voltage of the controller exceeds the threshold value set in 2034h, the motor is switched off and an error triggered. Above the response threshold set in 4021h:02h, the integrated ballast circuit is activated (wirewound resistor CR257-05T15R from VITROHM with 5 W continuous output). The minimum operating voltage is 11.4 V DC. If the input voltage of the controller falls below 10 V, the motor is switched off and an error triggered. A charging capacitor of at least 4700 µF / 50 V (approx. 1000 µF per ampere rated current) must be connected in parallel to the supply voltage to avoid exceeding the permissible operating voltage (e.g., during braking). X7 − Micro USB A cable of type "micro USB" is needed for this USB connection.
Pin assignment Overview Connection Function X1 EtherNet/IP™ X2 Encoder and Hall sensor connection X3 Digital/analog inputs and outputs X4 Brake connection X5 Motor connection X6 Voltage supply X7 Micro USB connection L1 Power LED Note: All pins with designation GND are internally connected. X1 – EtherNet/IP Type: RJ45 socket Pin 1 is marked with an asterisk "*". Note: The second Ethernet port is not connected and is provided for reasons of hardware compatibility only. Note: The most frequently used network topology is the star topology. All nodes are connected to a central node (e.g. via an Ethernet switch) by means of a point‑to‑point connection. Pin Function Note 1 Tx+ 2 Tx- 3 Rx+ 4 n.c. 5 n.c. 6 Rx- 7 n.c. 8 n.c. X2 – encoder/Hall sensor Type: JST S12B-PADSS-1 Mating connector (not included in scope of delivery): Housing: JST PADP-12V-1-S (or equivalent) Contacts: JST SPH-001T-P0.5L (or equivalent) Suitable Nanotec cables (not included in the scope of delivery): ZK-PADP-12-500-S ZK-M12-8-2M-2-PADP ZK-M12-12-2M-2-PADP ZK-NTO3-10-500-PADP / ZK-NTO3-10-1000-PADP ZK-NOE-10-500-S-PADP ZK-WEDL-500-S-PADP Pin 1 and pin 2 are marked in the figure. Pin Function Note 1 GND 2 Vcc 5 V DC, output and supply voltage for encoder / Hall sensor; max. 200 mA 3 A 5 V signal, max. 1 MHz 4 B 5 V signal, max. 1 MHz 5 A\ 5 V signal, max. 1 MHz 6 B\ 5 V signal, max. 1 MHz 7 I 5 V signal, max. 1 MHz 8 I\ 5 V signal, max. 1 MHz 9 Hall 1 5 V signal 10 Hall 2 5 V signal 11 Hall 3 5 V signal 12 Shielding Shielding Note: If a single-ended encoder is used, channels A/, B/ and I/ are not evaluated! To ensure that a single-ended encoder is correctly detected: ► Set the object 2059h to the value "2". ► Do not connect anything to pins A\, B\, I\, and do not connect these pins to ground (GND). The following switching thresholds apply for the encoder inputs: Type Switching thresholds On Off Single > 3.8 V < 0.26 V Difference > 3.8 V < 0.26 V The internal wiring of the encoder inputs is shown in the following. X3 – inputs and outputs Type: Phoenix Contact MC 0.5/12-G-2.5 Mating connector (included in scope of delivery): Phoenix Contact FK-MCP 0.5/12-ST-2.5 (or equivalent) Nanotec article number: ZCPHOFK-MC0,5-12 Pin 1 is marked with an asterisk "*". Pin Function Note 1 +10 V DC Output voltage, max. 200 mA 2 Digital input 1 5 V / 24 V signal, switchable by means of software with object 3240h, max. 1 MHz; clock input in clock-direction mode 3 Digital input 2 5 V / 24 V signal, switchable by means of software with object 3240h, max. 1 MHz; direction input in clock-direction mode 4 Digital input 3 5 V / 24 V signal, switchable by means of software with object 3240h 5 Digital input 4 5 V / 24 V signal, switchable by means of software with object 3240h 6 Digital input 5 5 V / 24 V signal, switchable by means of software with object 3240h 7 Analog input 1 10 bit, 0-10 V or 0-20 mA, switchable by means of software with object 3221h 8 Analog input 2 10 bit, 0-10 V, not switchable by means of software 9 Digital output 1 Open drain, maximum 24 V / 100 mA 10 Digital output 2 Open drain, maximum 24 V / 100 mA 11 Digital output 3 Open drain, maximum 24 V / 100 mA 12 GND The following switching thresholds apply for inputs 1 to 5: Max. Voltage Switching thresholds On Off 5 V > 3.8 V < 0.26 V 24 V > 14.42 V < 4.16 V The following applies for the analog inputs: Configuration of analog input Input resistance (maximum value) Voltage input approx. 147 kOhm Current input (analog input 1 only) at 1 mA: approx. 350 ohm Current input (analog input 1 only) at 20 mA: approx. 283 ohm Connection data min max Conductor cross section, rigid, min. 0.14 mm2 0.5 mm2 Conductor cross section, flexible, min. 0.14 mm2 0.5 mm2 Conductor cross section, flexible, min. Wire-end sleeve without plastic sleeve, min. 0.25 mm2 0.5 mm2 Conductor cross section, min. AWG 26 20 Min. AWG acc. to UL/CUL 28 20 X4 – brake connection Type: Phoenix Contact MC 0.5/2-G-2.5 Mating connector (included in scope of delivery): Phoenix Contact FK-MCP 0.5/2-ST-2.5 (or equivalent) Nanotec article number: ZCPHOFK-MC0,5-2 Pin 1 is marked with an asterisk "*". Pin Function Note 1 Brake + Internally connected to +UB 2 Brake - PWM-controlled open-drain output, max. 1.5 A Connection data min max Conductor cross section, rigid, min. 0.14 mm2 0.5 mm2 Conductor cross section, flexible, min. 0.14 mm2 0.5 mm2 Conductor cross section, flexible, min. Wire-end sleeve without plastic sleeve, min. 0.25 mm2 0.5 mm2 Conductor cross section, min. AWG 26 20 Min. AWG acc. to UL/CUL 28 20 X5 – motor connection Type: Würth Elektronik 691313510004 Mating connector (included in scope of delivery): Würth Elektronik 691353500004 (or equivalent) Nanotec article number: ZCPHOFKC-2,5HC-4 Pin 1 is marked with an asterisk "*". Pin Function (Stepper) Function (BLDC) 1 A U 2 A\ V 3 B W 4 B\ Not used Connection data min max Conductor cross section, rigid, min. 0.2 mm2 1.5 mm2 Conductor cross section, flexible, min. 0.2 mm2 1.5 mm2 Conductor cross section, flexible, min. Wire-end sleeve without plastic sleeve, min. 0.25 mm2 1.5 mm2 Conductor cross section, flexible, min. Wire-end sleeve min. Plastic sleeve min. 0.25 mm2 0.75 mm2 Conductor cross section, min. AWG 24 16 Min. AWG acc. to UL/CUL 24 16 X6 – voltage supply Type: Würth Elektronik 691313510002 Mating connector (included in scope of delivery): Würth Elektronik 691353500002 (or equivalent) Nanotec article number: ZCPHOFKC-2,5HC-2 Voltage source The operating or supply voltage supplies a battery, a transformer with rectification and filtering, or a switching power supply. Note: EMC: For a DC power supply line longer than 30 m or when using the motor on a DC bus, additional interference-suppression and protection measures are necessary. ► An EMI filter is to be inserted in the DC supply line as close as possible to the controller/motor. ► Long data or supply lines are to be routed through ferrites. Connections Pin 1 is marked with an asterisk "*". Pin Function Note 1 +UB 12 V - 48 V DC, ±5% 2 GND Connection data min max Conductor cross section, rigid, min. 0.2 mm2 1.5 mm2 Conductor cross section, flexible, min. 0.2 mm2 1.5 mm2 Conductor cross section, flexible, min. Wire-end sleeve without plastic sleeve, min. 0.25 mm2 1.5 mm2 Conductor cross section, flexible, min. Wire-end sleeve min. Plastic sleeve min. 0.25 mm2 0.75 mm2 Conductor cross section, min. AWG 24 16 Min. AWG acc. to UL/CUL 24 16 Permissible operating voltage The maximum operating voltage is 50.4 V DC. If the input voltage of the controller exceeds the threshold value set in 2034h, the motor is switched off and an error triggered. Above the response threshold set in 4021h:02h, the integrated ballast circuit is activated (wirewound resistor CR257-05T15R from VITROHM with 5 W continuous output). The minimum operating voltage is 11.4 V DC. If the input voltage of the controller falls below 10 V, the motor is switched off and an error triggered. A charging capacitor of at least 4700 µF / 50 V (approx. 1000 µF per ampere rated current) must be connected in parallel to the supply voltage to avoid exceeding the permissible operating voltage (e.g., during braking). X7 − Micro USB A cable of type "micro USB" is needed for this USB connection.
Overview Connection Function X1 EtherNet/IP™ X2 Encoder and Hall sensor connection X3 Digital/analog inputs and outputs X4 Brake connection X5 Motor connection X6 Voltage supply X7 Micro USB connection L1 Power LED Note: All pins with designation GND are internally connected.
X1 – EtherNet/IP Type: RJ45 socket Pin 1 is marked with an asterisk "*". Note: The second Ethernet port is not connected and is provided for reasons of hardware compatibility only. Note: The most frequently used network topology is the star topology. All nodes are connected to a central node (e.g. via an Ethernet switch) by means of a point‑to‑point connection. Pin Function Note 1 Tx+ 2 Tx- 3 Rx+ 4 n.c. 5 n.c. 6 Rx- 7 n.c. 8 n.c.
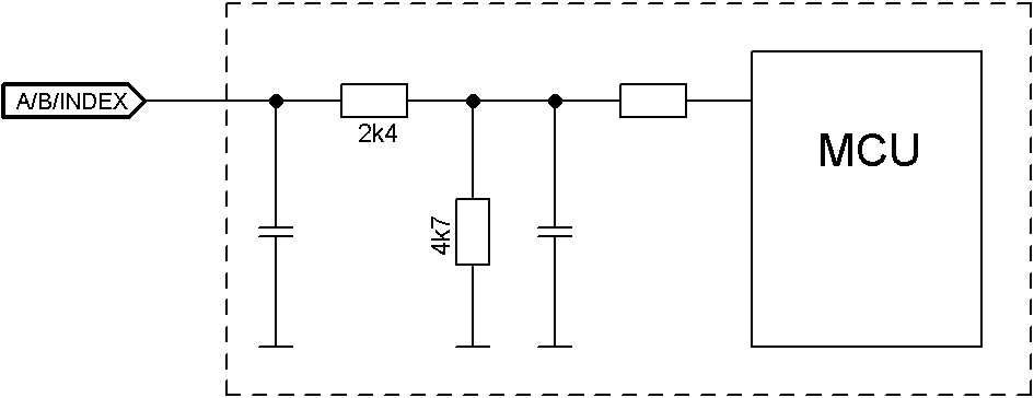
X2 – encoder/Hall sensor Type: JST S12B-PADSS-1 Mating connector (not included in scope of delivery): Housing: JST PADP-12V-1-S (or equivalent) Contacts: JST SPH-001T-P0.5L (or equivalent) Suitable Nanotec cables (not included in the scope of delivery): ZK-PADP-12-500-S ZK-M12-8-2M-2-PADP ZK-M12-12-2M-2-PADP ZK-NTO3-10-500-PADP / ZK-NTO3-10-1000-PADP ZK-NOE-10-500-S-PADP ZK-WEDL-500-S-PADP Pin 1 and pin 2 are marked in the figure. Pin Function Note 1 GND 2 Vcc 5 V DC, output and supply voltage for encoder / Hall sensor; max. 200 mA 3 A 5 V signal, max. 1 MHz 4 B 5 V signal, max. 1 MHz 5 A\ 5 V signal, max. 1 MHz 6 B\ 5 V signal, max. 1 MHz 7 I 5 V signal, max. 1 MHz 8 I\ 5 V signal, max. 1 MHz 9 Hall 1 5 V signal 10 Hall 2 5 V signal 11 Hall 3 5 V signal 12 Shielding Shielding Note: If a single-ended encoder is used, channels A/, B/ and I/ are not evaluated! To ensure that a single-ended encoder is correctly detected: ► Set the object 2059h to the value "2". ► Do not connect anything to pins A\, B\, I\, and do not connect these pins to ground (GND). The following switching thresholds apply for the encoder inputs: Type Switching thresholds On Off Single > 3.8 V < 0.26 V Difference > 3.8 V < 0.26 V The internal wiring of the encoder inputs is shown in the following.
X3 – inputs and outputs Type: Phoenix Contact MC 0.5/12-G-2.5 Mating connector (included in scope of delivery): Phoenix Contact FK-MCP 0.5/12-ST-2.5 (or equivalent) Nanotec article number: ZCPHOFK-MC0,5-12 Pin 1 is marked with an asterisk "*". Pin Function Note 1 +10 V DC Output voltage, max. 200 mA 2 Digital input 1 5 V / 24 V signal, switchable by means of software with object 3240h, max. 1 MHz; clock input in clock-direction mode 3 Digital input 2 5 V / 24 V signal, switchable by means of software with object 3240h, max. 1 MHz; direction input in clock-direction mode 4 Digital input 3 5 V / 24 V signal, switchable by means of software with object 3240h 5 Digital input 4 5 V / 24 V signal, switchable by means of software with object 3240h 6 Digital input 5 5 V / 24 V signal, switchable by means of software with object 3240h 7 Analog input 1 10 bit, 0-10 V or 0-20 mA, switchable by means of software with object 3221h 8 Analog input 2 10 bit, 0-10 V, not switchable by means of software 9 Digital output 1 Open drain, maximum 24 V / 100 mA 10 Digital output 2 Open drain, maximum 24 V / 100 mA 11 Digital output 3 Open drain, maximum 24 V / 100 mA 12 GND The following switching thresholds apply for inputs 1 to 5: Max. Voltage Switching thresholds On Off 5 V > 3.8 V < 0.26 V 24 V > 14.42 V < 4.16 V The following applies for the analog inputs: Configuration of analog input Input resistance (maximum value) Voltage input approx. 147 kOhm Current input (analog input 1 only) at 1 mA: approx. 350 ohm Current input (analog input 1 only) at 20 mA: approx. 283 ohm Connection data min max Conductor cross section, rigid, min. 0.14 mm2 0.5 mm2 Conductor cross section, flexible, min. 0.14 mm2 0.5 mm2 Conductor cross section, flexible, min. Wire-end sleeve without plastic sleeve, min. 0.25 mm2 0.5 mm2 Conductor cross section, min. AWG 26 20 Min. AWG acc. to UL/CUL 28 20
X4 – brake connection Type: Phoenix Contact MC 0.5/2-G-2.5 Mating connector (included in scope of delivery): Phoenix Contact FK-MCP 0.5/2-ST-2.5 (or equivalent) Nanotec article number: ZCPHOFK-MC0,5-2 Pin 1 is marked with an asterisk "*". Pin Function Note 1 Brake + Internally connected to +UB 2 Brake - PWM-controlled open-drain output, max. 1.5 A Connection data min max Conductor cross section, rigid, min. 0.14 mm2 0.5 mm2 Conductor cross section, flexible, min. 0.14 mm2 0.5 mm2 Conductor cross section, flexible, min. Wire-end sleeve without plastic sleeve, min. 0.25 mm2 0.5 mm2 Conductor cross section, min. AWG 26 20 Min. AWG acc. to UL/CUL 28 20
X5 – motor connection Type: Würth Elektronik 691313510004 Mating connector (included in scope of delivery): Würth Elektronik 691353500004 (or equivalent) Nanotec article number: ZCPHOFKC-2,5HC-4 Pin 1 is marked with an asterisk "*". Pin Function (Stepper) Function (BLDC) 1 A U 2 A\ V 3 B W 4 B\ Not used Connection data min max Conductor cross section, rigid, min. 0.2 mm2 1.5 mm2 Conductor cross section, flexible, min. 0.2 mm2 1.5 mm2 Conductor cross section, flexible, min. Wire-end sleeve without plastic sleeve, min. 0.25 mm2 1.5 mm2 Conductor cross section, flexible, min. Wire-end sleeve min. Plastic sleeve min. 0.25 mm2 0.75 mm2 Conductor cross section, min. AWG 24 16 Min. AWG acc. to UL/CUL 24 16
X6 – voltage supply Type: Würth Elektronik 691313510002 Mating connector (included in scope of delivery): Würth Elektronik 691353500002 (or equivalent) Nanotec article number: ZCPHOFKC-2,5HC-2 Voltage source The operating or supply voltage supplies a battery, a transformer with rectification and filtering, or a switching power supply. Note: EMC: For a DC power supply line longer than 30 m or when using the motor on a DC bus, additional interference-suppression and protection measures are necessary. ► An EMI filter is to be inserted in the DC supply line as close as possible to the controller/motor. ► Long data or supply lines are to be routed through ferrites. Connections Pin 1 is marked with an asterisk "*". Pin Function Note 1 +UB 12 V - 48 V DC, ±5% 2 GND Connection data min max Conductor cross section, rigid, min. 0.2 mm2 1.5 mm2 Conductor cross section, flexible, min. 0.2 mm2 1.5 mm2 Conductor cross section, flexible, min. Wire-end sleeve without plastic sleeve, min. 0.25 mm2 1.5 mm2 Conductor cross section, flexible, min. Wire-end sleeve min. Plastic sleeve min. 0.25 mm2 0.75 mm2 Conductor cross section, min. AWG 24 16 Min. AWG acc. to UL/CUL 24 16 Permissible operating voltage The maximum operating voltage is 50.4 V DC. If the input voltage of the controller exceeds the threshold value set in 2034h, the motor is switched off and an error triggered. Above the response threshold set in 4021h:02h, the integrated ballast circuit is activated (wirewound resistor CR257-05T15R from VITROHM with 5 W continuous output). The minimum operating voltage is 11.4 V DC. If the input voltage of the controller falls below 10 V, the motor is switched off and an error triggered. A charging capacitor of at least 4700 µF / 50 V (approx. 1000 µF per ampere rated current) must be connected in parallel to the supply voltage to avoid exceeding the permissible operating voltage (e.g., during braking).
Voltage source The operating or supply voltage supplies a battery, a transformer with rectification and filtering, or a switching power supply. Note: EMC: For a DC power supply line longer than 30 m or when using the motor on a DC bus, additional interference-suppression and protection measures are necessary. ► An EMI filter is to be inserted in the DC supply line as close as possible to the controller/motor. ► Long data or supply lines are to be routed through ferrites.
Connections Pin 1 is marked with an asterisk "*". Pin Function Note 1 +UB 12 V - 48 V DC, ±5% 2 GND Connection data min max Conductor cross section, rigid, min. 0.2 mm2 1.5 mm2 Conductor cross section, flexible, min. 0.2 mm2 1.5 mm2 Conductor cross section, flexible, min. Wire-end sleeve without plastic sleeve, min. 0.25 mm2 1.5 mm2 Conductor cross section, flexible, min. Wire-end sleeve min. Plastic sleeve min. 0.25 mm2 0.75 mm2 Conductor cross section, min. AWG 24 16 Min. AWG acc. to UL/CUL 24 16
Permissible operating voltage The maximum operating voltage is 50.4 V DC. If the input voltage of the controller exceeds the threshold value set in 2034h, the motor is switched off and an error triggered. Above the response threshold set in 4021h:02h, the integrated ballast circuit is activated (wirewound resistor CR257-05T15R from VITROHM with 5 W continuous output). The minimum operating voltage is 11.4 V DC. If the input voltage of the controller falls below 10 V, the motor is switched off and an error triggered. A charging capacitor of at least 4700 µF / 50 V (approx. 1000 µF per ampere rated current) must be connected in parallel to the supply voltage to avoid exceeding the permissible operating voltage (e.g., during braking).