GPLE22-2S-12 –  精密行星变速箱

技术数据

  • 减速比 12 
  • 效率 80 %
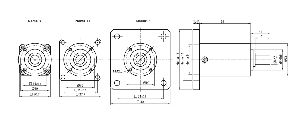
  • 长度“L”
  • 重量
  • 寿命 10000 小时
  • 惯性矩 0.09 kg mm²
  • 适用电机尺寸 NEMA 8, NEMA 11, NEMA 17 
  • 允许的径向轴负载 20 N
  • 额定输出转矩 1.5 Nm
  • 背隙 55 ´(弧分)
  • 法兰长度 L1
  • IP 保护 变速箱 IP43 
  • 工作温度 -25 至 +90 °C
  • 最大输入转速 4500 rpm
  • 允许的轴向轴负载 20 N

尺寸

GPLE22
Creation in progress ...