GPLE60-2S-9-F87 –  精密行星变速箱

技术数据

  • 减速比
  • 最大输出转矩 70 Nm
  • 背隙 12 ´(弧分)
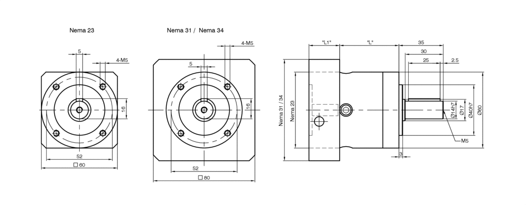
  • 法兰长度 L1
  • IP 保护 变速箱 IP54 
  • 适用电机尺寸 NEMA 34 
  • 惯性矩 13.1 kg mm²
  • 允许的轴向轴负载 450 N
  • 额定输出转矩 44 Nm
  • 效率 97 %
  • 长度“L”
  • 重量
  • 寿命 30000 小时
  • 工作温度 -25 至 +90 °C
  • 最大输入转速 13000 rpm
  • 允许的径向轴负载 340 N

尺寸

GPLE60
Creation in progress ...