DF20M012052-A –  扁平无刷电机

非常扁平的外转子电机,直径为 20 mm,额定功率为5W。DF20 提供两种不同的绕组,并配有数字霍尔传感器。无转子外壳的开放式设计可确保最佳散热效果。

DF20 非常适合用于假体设备、机械手或医疗泵。要将此电机与 Nanotec 电机控制器(我们推荐控制器)连接,需使用 ,以使 FPC 电缆与电线适配。

  • 额定转速为 5200 rpm
  • 额定电压为 12 V 或 24 V
  • 8 极设计
  • 低速运行时流畅平稳
  • FPC 电缆

DF20 非常适合用于假体设备、机械手或医疗泵。

请注意:
要将此电机与 Nanotec 电机控制器(我们推荐CL3-E控制器)连接,需使用 附加板,以使 FPC 电缆与电线适配。

在这里查找匹配的电机控制器/驱动器

技术数据

  • 额定电流 0.54 A
  • 线间电感 0.7 mH
  • 转矩常数 1.2 Ncm/A
  • 电机连接 FCP 
  • 峰值转矩
  • 额定功率 5 W
  • 额定转速 5170 rpm
  • 尺寸
  • 线间电阻 6.9 Ohm
  • 转子的转动惯量 5.1 gcm²
  • 重量
  • 峰值电流 1.62 A
  • 机身长度“A”
  • 额定转矩
  • 额定电压 12 V
  • 带编码器  

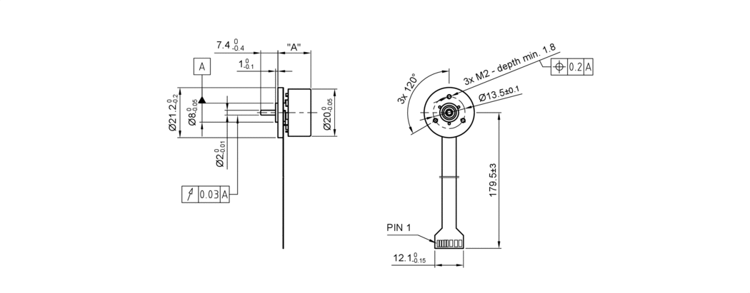
尺寸

DF20-A
Creation in progress ...

配件

ZIB-DF32 附加板

知识库

直流无刷电机(简称为 BLDC 电机)——尽管名谓“直流”——实际上是一种三相电流同步电机:转子跟随旋转磁场运转,其运动与施加在绕组上的交流电压同步。 这种电机类型之所以通常被称为“无刷直流电机”是因为,在许多应用中,该电机可以替换有刷直流电机(有刷直流或换向器式电机)。在有刷直流电机中,施加直流电压后,电机中的机械逆变器(电刷)会产生与转速无关的交流电。
更多详情