LSA421S14-A-UIEV-152 –  外部驱动式直线步进电机 - NEMA 17

技术数据

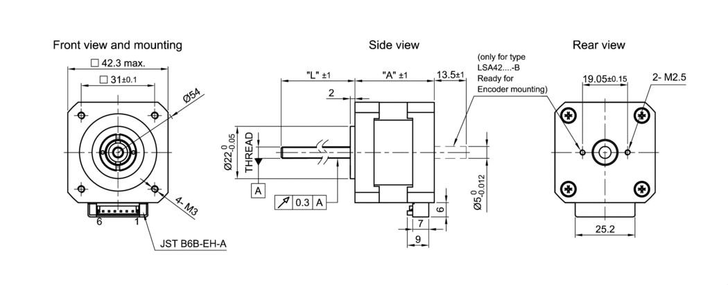
  • 尺寸
  • 轴端 单 
  • 速度 100 mm/s
  • 丝杆直径
  • 分辨率 24.4 µm/步
  • 相电感 2.8 mH
  • 丝杆长度“L”
  • 重量
  • NEMA 17 
  • 峰值力 232.6 N
  • 相电流 1.4 A
  • 导程
  • 相电阻 2 Ohm
  • 最大轴向间隙 ±0.09 mm
  • 机身长度“A”
  • 螺钉涂层  

尺寸

LSA42
Creation in progress ...

速度推力曲线

Recommended load limit:
Maximum short-term static load that may be reached when the service life is taken into account.
Recommended load limit
Continuous duty region
转矩 [Nm]/{{ curve.comparePoint | number : 2 }}rpm 转速 [rpm]/{{ curve.comparePoint | number : 2 }}Nm
力 [N]/{{ curve.comparePoint | number : 2 }}mm/s 速度 [mm/s]/{{ curve.comparePoint | number : 2 }}N
Torque [Nm] at {{ curve.comparePoint | number : 2 }} rpm Speed [rpm] at {{ curve.comparePoint | number : 2 }} Nm
 
 
 
{{ curve.calculateValueAtComparePoint(dataRow) }}
  • {{ attribute.label }}

配件

ZK-JST-EHR-6-0.5M-S 电机电缆 0.5m
NANOLUBE-50G 轴承润滑脂
LSNUT-AGAE-UIEV 带扭转弹簧的消隙螺母
LSNUT-AAAE-UIEV 螺纹螺母
LSNUT-AEAE-UIEV 轴向消隙螺纹螺母,带压缩弹簧