CL4-E-1-12 –  适用于 CANopen、Modbus RTU 或 USB 的电机控制器

“下载"按钮下面,您可以找到与固件相对应的技术手册,在使用Plug & Drive Studio 2可以参照最新技术手册 (FIR-v2139)

技术数据

  • 接口 USB 
  • 工作电压 12 V直流 – 58 V直流
  • 额定电流 (RMS) 3 A
  • 数字输入端数量
  • 模拟输入端数量
  • 数字输出
  • 编码器输入  
  • 刹车输出  
  • 温度范围 -10 °C – 40 °C
  • 配套电机 直流无刷电机, 步进电机 
  • 逻辑电压 12 - 30 VDC(可选) 
  • 峰值电流 (RMS) 6 A
  • 数字输入的类型 24 V 
  • 模拟输入的类型 0-10 V 
  • 数字输出的类型 高压侧开关(最大 30 V/100 mA) 
  • 编码器信号类型 增量 
  • 重量

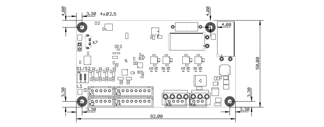
尺寸

CL4-E-...-12-...
Creation in progress ...

配件

ZK-XHP-5-500-S CAN/RS485 输入/输出 0.5m
ZK-MCM-12-500-S-JXH 编码器线缆 NME2/3 0.5m
ZK-TM4-10-500-S-JXH 编码器线缆 NTO3 0.5m
ZK-JZH-8-500-S-JXH 编码器线缆 WEDL 0.5m
ZK-XHP-8-500-S 编码器/霍尔线缆或输入/输出, 0.5 m
ZK-LD-CL4 转换器线缆编码器
Z-K4700/50 电容器
ZK-MICROUSB MicroUSB 数据线 1.5m
ZK-XHP4-300 电机电缆,0.3 m
ZK-XHP-3-500 电源线,0.5 m

知识库

示例和应用备注向您展示 NanoJ Library 如何简化了 CiA 402 电源状态机的使用。该 Library 的功能包含在单个头文件中,您可以轻松地将其添加到 Plug & Drive Studio 中的 NanoJ 项目中。
更多详情
为了减少车辆线束的长度和减轻重量,Bosch 公司于 1987 年开发了用于网络控制单元的所谓 CAN 总线。CAN 是“控制器局域网”的缩写,通常与“总线”(二进制单元系统)结合使用,以描述在共享传输路径上的不同设备之间传输数据的系统。
更多详情