DBL36S024048-A –  直流无刷电机

配置
您可以对此商品进行其他配置。请单击下面的配置按钮开始。

技术数据

  • NEMA
  • 额定功率 7.5 W
  • 额定转矩
  • 额定电流 0.5 A
  • 额定转速 4800 rpm
  • 转子的转动惯量 6 gcm²
  • 线间电感 3.3 mH
  • 重量
  • 尺寸
  • 额定电压 24 V
  • 峰值转矩
  • 峰值电流 1.5 A
  • 转矩常数 3 Ncm/A
  • 线间电阻 5.25 Ohm
  • 机身长度“A”

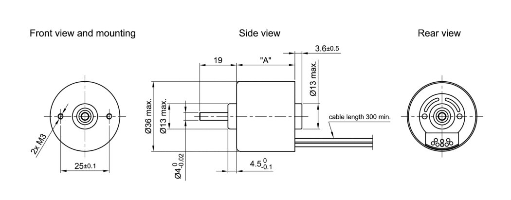
尺寸

DBL36
Creation in progress ...

速度推力曲线

Recommended load limit:
Maximum short-term static load that may be reached when the service life is taken into account.
Recommended load limit
Continuous duty region
转矩 [Nm]/{{ curve.comparePoint | number : 2 }}rpm 转速 [rpm]/{{ curve.comparePoint | number : 2 }}Nm
力 [N]/{{ curve.comparePoint | number : 2 }}mm/s 速度 [mm/s]/{{ curve.comparePoint | number : 2 }}N
Torque [Nm] at {{ curve.comparePoint | number : 2 }} rpm Speed [rpm] at {{ curve.comparePoint | number : 2 }} Nm
 
 
 
{{ curve.calculateValueAtComparePoint(dataRow) }}
  • {{ attribute.label }}

知识库

直流无刷电机(简称为 BLDC 电机)——尽管名谓“直流”——实际上是一种三相电流同步电机:转子跟随旋转磁场运转,其运动与施加在绕组上的交流电压同步。 这种电机类型之所以通常被称为“无刷直流电机”是因为,在许多应用中,该电机可以替换有刷直流电机(有刷直流或换向器式电机)。在有刷直流电机中,施加直流电压后,电机中的机械逆变器(电刷)会产生与转速无关的交流电。
更多详情