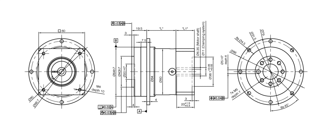
GPLEF64-2S-25 –  法兰变速箱

技术数据

  • 减速比 25 
  • 最大输出转矩 80 Nm
  • 背隙 12 ´(弧分)
  • 法兰长度 L1
  • IP 保护 变速箱 IP54 
  • 适用电机尺寸 NEMA 23, NEMA 24 
  • 惯性矩 ≤13 kg mm²
  • 允许的轴向轴负载 1200 N
  • 额定输出转矩 40 Nm
  • 效率 95 %
  • 长度“L”
  • 重量
  • 寿命 30000 小时
  • 工作温度 -25 至 +90 °C
  • 最大输入转速 13000 rpm
  • 允许的径向轴负载 500 N

尺寸

GPLEF64
Creation in progress ...

配件