SC4118L1804-ENO24K –  步进电机 - NEMA 17

配置
您可以对此商品进行其他配置。请单击下面的配置按钮开始。

技术数据

  • NEMA 17 
  • 相电流 1.8 A
  • 转子的转动惯量 82 gcm²
  • 相电感 3.3 mH
  • 编码器类型 增量 
  • 编码器分辨率 4000 CPR
  • 机身长度“A”
  • D向轴 
  • 尺寸
  • 保持转矩
  • 相电阻 1.75 Ohm
  • 带编码器  
  • 编码器电压 24 V 
  • 分辨率 1.8 °/步
  • 重量

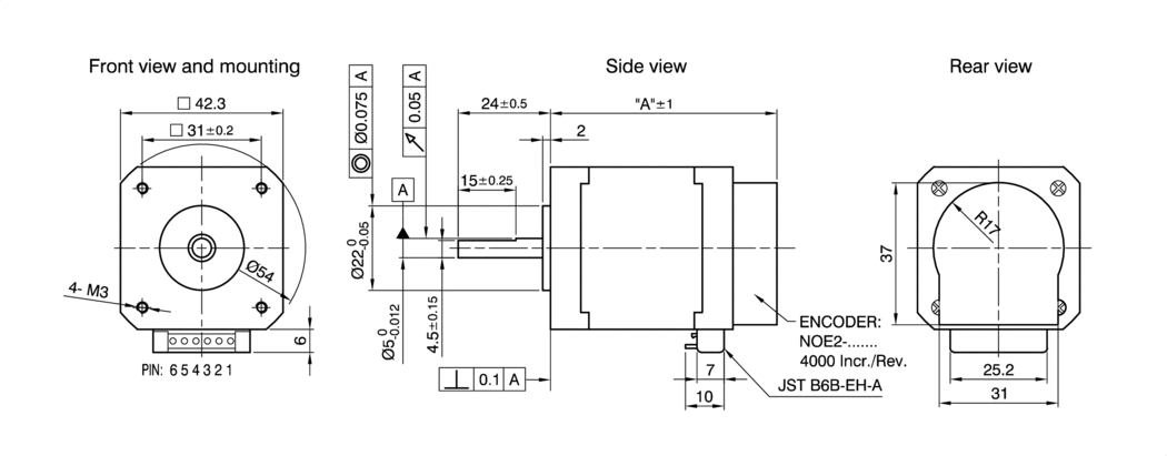
尺寸

SC4118L1804-EN
Creation in progress ...

力矩曲线

Recommended load limit:
Maximum short-term static load that may be reached when the service life is taken into account.
Recommended load limit
Continuous duty region
转矩 [Nm]/{{ curve.comparePoint | number : 2 }}rpm 转速 [rpm]/{{ curve.comparePoint | number : 2 }}Nm
力 [N]/{{ curve.comparePoint | number : 2 }}mm/s 速度 [mm/s]/{{ curve.comparePoint | number : 2 }}N
Torque [Nm] at {{ curve.comparePoint | number : 2 }} rpm Speed [rpm] at {{ curve.comparePoint | number : 2 }} Nm
 
 
 
{{ curve.calculateValueAtComparePoint(dataRow) }}
  • {{ attribute.label }}

配件

ZK-NOE1-10-500-S 编码器线缆 NOE 0.5m
ZK-NOE1-10-2000-S 编码器线缆 NOE 2m
ZK-JST-EHR-6-0.5M-S 电机电缆 0.5m