LGA351S12-B-TJCA-019 –  固定轴式直线步进电机 – NEMA 14 新建

配置
您可以对此商品进行其他配置。请单击下面的配置按钮开始。

技术数据

  • 尺寸
  • 轴端 双 
  • 速度 33 mm/s
  • 丝杆直径
  • 分辨率 10 µm/步
  • 相电感 2.46 mH
  • 行程长度“X”
  • 重量
  • NEMA 14 
  • 峰值力 156 N
  • 相电流 1.2 A
  • 导程
  • 相电阻 1.8 Ohm
  • 最大轴向间隙
  • 机身长度“A”
  • 螺钉涂层  

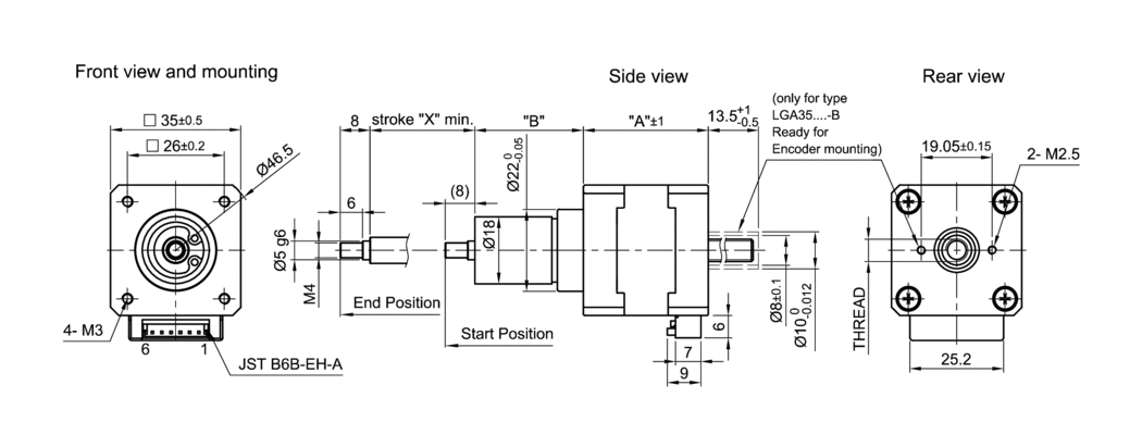
尺寸

LGA35
Creation in progress ...

力矩曲线

Recommended load limit:
Maximum short-term static load that may be reached when the service life is taken into account.
Recommended load limit
Continuous duty region
转矩 [Nm]/{{ curve.comparePoint | number : 2 }}rpm 转速 [rpm]/{{ curve.comparePoint | number : 2 }}Nm
力 [N]/{{ curve.comparePoint | number : 2 }}mm/s 速度 [mm/s]/{{ curve.comparePoint | number : 2 }}N
Torque [Nm] at {{ curve.comparePoint | number : 2 }} rpm Speed [rpm] at {{ curve.comparePoint | number : 2 }} Nm
 
 
 
{{ curve.calculateValueAtComparePoint(dataRow) }}
  • {{ attribute.label }}

配件

ZK-JST-EHR-6-0.5M-S 电机电缆 0.5m