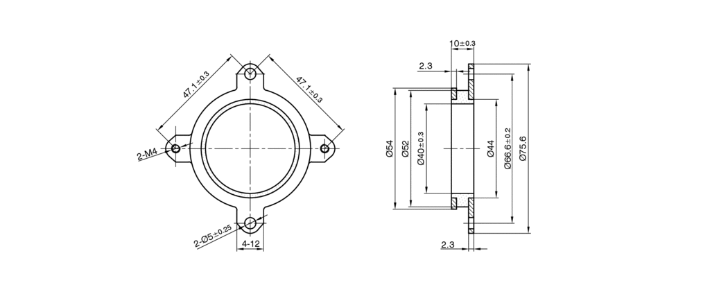
ZD-DF56 –  减震器

技术数据

  • 配套电机 ST59 
  • 适用于(减震器) 适用于安装法兰 

尺寸

ZD-DF56
Creation in progress ...