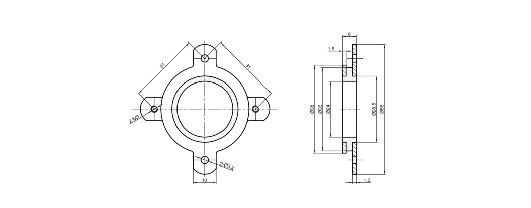
ZD-DF40 –  减震器

技术数据

  • 配套电机 ST41, ST42 
  • 适用于(减震器) 适用于安装法兰 

尺寸

Creation in progress ...