GP80-T1-7-SR –  高转矩行星变速箱

技术数据

  • 适用电机尺寸 80 mm (BLDC), 90 mm (BLDC), NEMA 34 
  • 效率 92 %
  • 额定输出转矩 21.37 Nm
  • 减速比 6.833 
  • 惯性矩 14.9 kg mm²
  • 工作温度 -15 °C – 90 °C
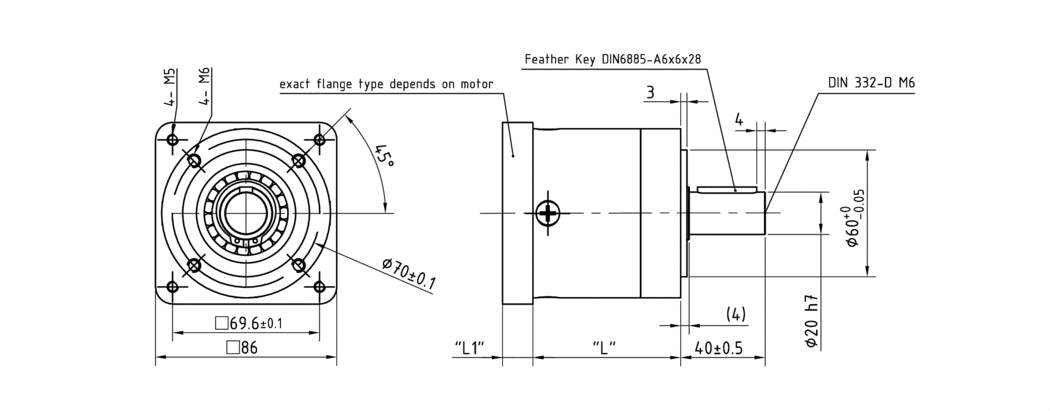
  • 法兰长度 L1
  • 允许的轴向轴负载 2950 N
  • IP 保护 变速箱 IP54 
  • 类型 标准轴承 
  • 背隙 21 ´(弧分)
  • 最大输出转矩 66 Nm
  • 最大输入转速 7000 rpm
  • 寿命 10000 小时
  • 长度“L”
  • 重量
  • 允许的径向轴负载 970 N

尺寸

Creation in progress ...