SCB6018L4204-B –  采用 FluxFocus 技术的步进电机 – NEMA 24

配置

技术数据

  • NEMA 24 
  • 相电流 4.2 A
  • 转子的转动惯量 840 gcm²
  • 相电感 2.4 mH
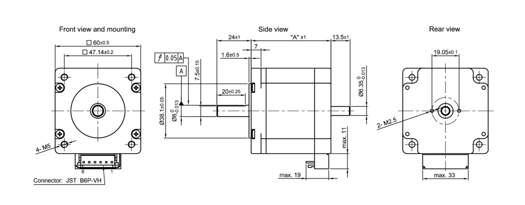
  • 机身长度“A”
  • 轴端 双 
  • D向轴 
  • 尺寸
  • 保持转矩
  • 相电阻 0.72 Ohm
  • 分辨率 1.8 °/步
  • 重量
  • 轴直径

尺寸

SCB6018-B
Creation in progress ...

力矩曲线

Recommended load limit:
Maximum short-term static load that may be reached when the service life is taken into account.
Recommended load limit
Continuous duty region
转矩 [Nm]/{{ curve.comparePoint | number : 2 }}rpm 转速 [rpm]/{{ curve.comparePoint | number : 2 }}Nm
力 [N]/{{ curve.comparePoint | number : 2 }}mm/s 速度 [mm/s]/{{ curve.comparePoint | number : 2 }}N
Torque [Nm] at {{ curve.comparePoint | number : 2 }} rpm Speed [rpm] at {{ curve.comparePoint | number : 2 }} Nm
 
 
 
{{ curve.calculateValueAtComparePoint(dataRow) }}
  • {{ attribute.label }}

配件

ZK-VHR-6-300-4 电机电缆 SCA56,SCB56, SCB60, LA56,LSA56,0.3m