SCA2018M0804-L –  带空心轴的步进电机 – NEMA 8

配置

High-torque stepper motor with NEMA 8 flange (20 mm) and 1.8° step angle. The SCA2018 series comes with a second shaft end for mounting an encoder.

When you have selected a motor, you will find a matching encoder quickly and easily with the help of our product configurator.

Find a matching motor controller/drive here.

您可以对此商品进行其他配置。请单击下面的配置按钮开始。

技术数据

  • NEMA
  • 相电流 0.8 A
  • 转子的转动惯量 3.6 gcm²
  • 相电感 2.3 mH
  • 机身长度“A”
  • 尺寸
  • 保持转矩
  • 相电阻 5.6 Ohm
  • 分辨率 1.8 °/步
  • 重量

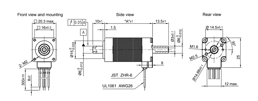
尺寸

SCA2018-L
Creation in progress ...

力矩曲线

Recommended load limit:
Maximum short-term static load that may be reached when the service life is taken into account.
Recommended load limit
Continuous duty region
转矩 [Nm]/{{ curve.comparePoint | number : 2 }}rpm 转速 [rpm]/{{ curve.comparePoint | number : 2 }}Nm
力 [N]/{{ curve.comparePoint | number : 2 }}mm/s 速度 [mm/s]/{{ curve.comparePoint | number : 2 }}N
Torque [Nm] at {{ curve.comparePoint | number : 2 }} rpm Speed [rpm] at {{ curve.comparePoint | number : 2 }} Nm
 
 
 
{{ curve.calculateValueAtComparePoint(dataRow) }}
  • {{ attribute.label }}